当前位置:首页 > 解决方案 > 冶金/能源
冶金/能源 查看众多案例,选择适合您的设备!

工业以太网交换机在涟源钢铁集团全厂能源管理系统中的应用

更新时间:2013-08-24 15:38:33  阅读:2056次

项目介绍

钢铁冶金企业能源管理系统 (Energy Management System)作为企业信息化系统的一个重要组成部分,通过对能源数据进行采集、加 工、分析、处理,使其与生产调度系统密切结合,完成生产与能源的协调管理。EMS对能源设备、能源实 绩、能源计划、能源平衡、能源预测等方面发挥着重要作用。

涟源钢铁集团 位于湖南省娄底市,现已成为中南地区重要的板材生产基地,拥有从炼焦、烧结、冶炼到轧钢等一整套全 流程工艺装备。产品用户遍布全国大部分省、市、自治区及东南亚、欧洲、美国等国家和地区。涟源钢铁 于2009年开始启动EMS项目,以期合理利用资源、节约能源,最大限度地降低生产成本,降低对环境的污 染。

系统需求

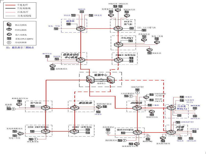
涟钢能源管理信息系统通讯网络架构:
-共分为三个工业级千兆环网网络
-每个千兆环网网络采用汇接交换机与核心层交换 机相连
-组网方式采用星型方式连接
能源管理中心核心交换机与汇接中心交换机的 连接需采用冗余连接模式,以保证数据传输的稳定。
各个汇接层分环网网络可通过路由与主干 网相连,实现各个汇接环网之间的数据共享及通信。
能源收集子站交换机向上就近连入汇接中 心交换机,向下连接能源采集点接入设备。
Moxa解决方案

在涟钢EMS系 统中,Moxa推荐使用EDS-828模块化千兆冗余三层交换机作为汇接层交换机。由于EDS-828工业千兆交换机 可以提供四个千兆端口,除了两个千兆端口构建环网外,另两个千兆端口分别连接能源中心核心交换机以 及能源搜集子站交换机,有效保证了系统的整体千兆通讯性能。

EMS系统采用 了冗余的概念,提升了数据传输的稳定性。EDS-828的两个端口可以组建一个千兆冗余环网,支持Turbo Ring,且自愈时间<20ms。此外,其中两台EDS-828的千兆端口分别连接到不同的核心交换机上,其中 一条连接设置为主连接链路,另一条设置为备用连接链路。数据交换一般从主连接链路进行,当主连接链 路发生故障或连接主连接链路的交换设备发生故障的情况下,数据交换会自动切换到备用链路。

在能源收集子站的交换机,用户采用了Moxa EDS-508A网管型工业以太网交换 机,具备8个10/100BaseT(X)端口,可以向上就近与汇接中心交换机EDS-828相连,向下与现场各个能源采 集设备的网口相连。

对于网络通讯而言,Moxa的两款交换机均支持Turbo Ring快 速冗余技术,能够在20毫秒内实现主路径和备份路径的切换,这一业界最快的环网冗余性能保证了系统线 路的可靠性。此外,现场工程师不但能够采用Web方式管理、配置EDS-828/EDS-508A系列交换机,而且可 以通过以SNMP OPC Server软件集成的网络监视软件实时监控网络的每个端口的状态。Moxa交换机具有强 大的网络管理能力,可通过E-mail、Relay和OPC data等三种方式发送故障报警信息,SNMP Trap还可有效 捕捉故障点,确保工程师可以随时关注并了解现场情况。

系统配置图

为什 么选择Moxa?

EDS-828千兆工业交换机的两个千兆端口可以用于组建千兆冗余环网 ,其他的千兆端口用于连接核心交换机,建立冗余路径
EDS-508A网管型交换机可以连接EDS- 828以及其他数据采集设备,确保网络和数据传输的稳定
Moxa交换机均支持Turbo Ring,冗余 时间小于20ms
Moxa交换机无风扇和低功耗的设计有力保证了设备运行可靠、稳定,其MTBF均达 20年以上
EDS-828和EDS-508A交换机可通过E-mail、Relay、OPC data等三种方式发送故障报警 信息,SNMP Trap还可有效捕捉故障点
工程师不但能够采用Web方式管理、配置EDS-510A/518A 系列交换机,而且可以通过以SNMP OPC Server软件集成的网络监视软件实时监控网络的每个端口的状态
应用产品介绍

EDS-828

三层交换机, 支持静态路由和RIP V1/V2
4个千兆端口,24个快速以太网端口(光纤/RJ45)
支持 Gigabit Turbo Ring,RSTP/STP(IEEE802.1W/D),用于以太网冗余
支持QoS,IGMP snooping/GMRP,VLAN,LACP,SNMP V1/V2c/V3,RMON
支持IEEE802.1X和https/SSL,增强网络 安全性
EDS-508A

8个10/100BaseT(X)端口
支持Turbo Ring(自愈时间< 20 ms)
支持QoS,IGMP snooping/GMRP,VLAN,LACP,SNMP V1/V2c/V3 ,RMON
异常状况可以通过用户定制的e-mail进行报警
基于Web的友好管理和配置方 式


上一篇: Moxa AWK-3121在江苏沙钢行车无线通讯系统中的应用
下一篇: Khurais油气井口的远程监督与维护 通讯网络
应用案例

地址:中国山东省济南市山大路157号华
强国际中心A座906室
电话:0531-55557082 55557081

ICP备案:鲁ICP备19042839号

客服热线:0531-55557082 

ICP备案:鲁ICP备19042839号